汽车电子

现代汽车是由许多智能、互联和安全组件组成的复杂系统。我们自豪地成为汽车行业中备受信赖的嵌入式控制解决方案供应商。我们提供多种汽车级产品,包括模拟、连接、存储、微控制器(MCU)、安全、计时和触摸等。这些创新产品帮助汽车制造商开发更安全、更清洁、更节能、更可靠的车辆。我们提供了所有相关的要素,包括汽车质量、功能安全、网络安全、创新产品、系统理解和卓越运营,以确保系统的可靠性。作为汽车行业的主要合作伙伴,我们通过提供可靠的电子设备来构建系统的信任基础,致力于打造清洁、安全和智能的汽车未来。

产品应用

车身电子装置和照明

车身控制模块
直流电机控制12V汽车
分散式后视镜模块
HVAC 控制模块

汽车安全

网关
远程信息处理控制单元

汽车信息通讯

音响主机
仪表板
远程信息处理控制单元
汽车 USB Typ-C 供电 (PD) 模块

汽车电源

电池断电开关
车载电池充电器
48 V 混合动力系统
双离合变速器 – 电气控制

汽车外部照明应用案例

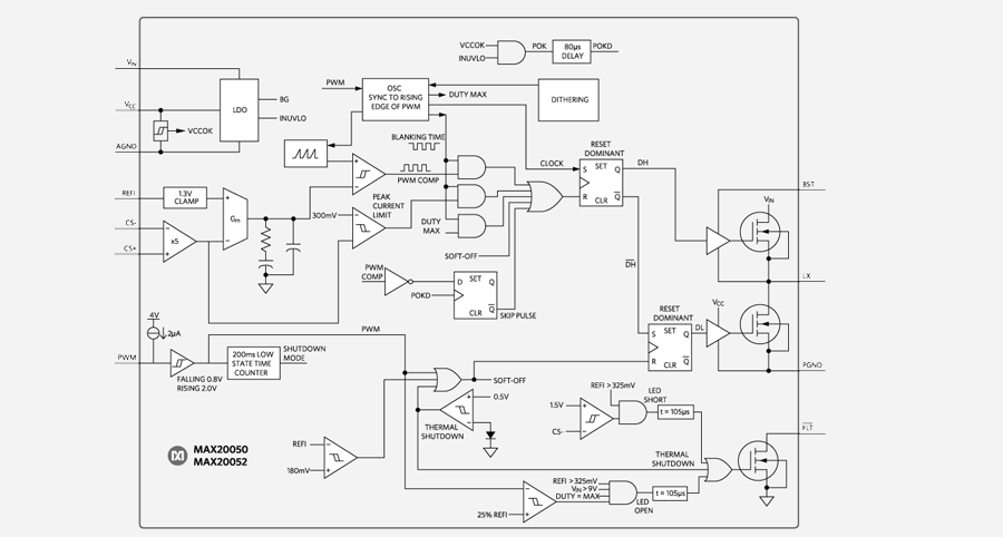
有助于降低系统的热预算,从而可以提高散热器设计的自由度,同时缩小解决方案的总尺寸 汽车电子(图1)


汽车电子(图2)


0.404223s