电力能源

随着全球对可再生能源的需求增加以及对碳排放的关注,光伏半导体市场在过去几年中得到了快速发展,并且预计在未来仍将保持增长态势, 我们的产品旨在提高电网基础设施的恢复能力和能效,无论是通过连接电池供电的智能仪表、管理分布式能源、双向电动汽车充电或实时数据。我们的解决方案实现了高效的电力输送和更智能的电网,同时符合全球合规标准并支持未来的负载模式,确保长期可靠性

产品应用

电池管理

适用于锂离子充电管理控制器 锂离子和镍氢电池的智能电池充电 可编程充电器的开关

智能电源

可再生能源/太阳能
电池管理
电池管理
数字照明控制

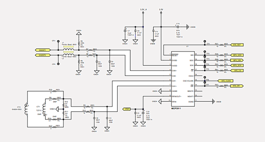
电源监控

家庭自动化电源监控
实时测量电源输入
智能配电单元
智能照明

能量存储系统

功率变换系统 (PCS)
智能电气面板
电池储能系统
移动式发电站

太阳能光伏充电应用案例

低功耗音频逐渐成为取代电池供电设备(例如可听戴设备和可穿戴设备) 电力能源(图1)


电力能源(图2)


0.397859s